產品系列
- 32.768KHz
- 石英晶振
- 貼片晶振
- 聲表面濾波器
- 陶瓷晶振
- 陶瓷霧化片
- 陶瓷濾波器
- 微孔霧化片
- CTS晶振
- KDS晶振
- 愛普生晶振
- 西鐵城晶振
- 精工晶體
- 村田晶振
- 京瓷晶振
- DST310S晶振
- 日本大河晶體
- NDK晶振
- 亞陶晶振
- 日本富士晶振
- NAKA晶振
- SMI晶振
- NKG晶振
- NJR晶振
- 臺灣加高諧振器
- 臺灣鴻星晶體
- TXC晶振
- 臺灣希華晶振
- 臺灣泰藝晶體
- NSK晶振
- AKER晶振
- Dynamic迪拉尼晶振
- Q-Tech晶振
- ABRACON晶振
- VECTRON晶振
- JAUCH晶振
- ConnorWinfield晶振
- Rakon晶振
- ECS晶振
- Greenray晶振
- ECLIPTEK晶振
- GOLLEDGE晶振
- STATEK晶振
- Pletronics晶振
- SITIME晶振
- Microcrystal晶振
- RALTRON晶振
- AEK晶振
- AEL晶振
- ILSI晶振
- FOX晶振
- fujicom晶振
- CRYSTEK晶振
- interquip晶振
- Geyer晶振
- quartzcom晶振
- qantek晶振
- EUROQUARTZ晶振
- quarztechnik晶振
- Cardinal晶振
- FRE-TECH晶振
- KVG晶振
- wi2wi晶振
- Transko晶振
- suntsu晶振
- mmdcomp晶振
- MERCURY晶振
- MTRONPTI晶振
- ACT晶振
- MTI晶振
- Lihom晶振
- Rubyquartz晶振
- Oscilent晶振
- SHINSUNG晶振
- ITTI晶振
- PDI晶振
- IQD晶振
- Microchip晶振
- Silicon晶振
- Anderson晶振
- Fortiming晶振
- CORE晶振
- NIPPON晶振
- NIC晶振
- QVS晶振
- Bomar晶振
- Bliley晶振
- GED晶振
- FILTRONETICS晶振
- STD晶振
- Wenzel晶振
- NEL晶振
- EM晶振
- PETERMANN晶振
- FCD-Tech晶振
- HEC晶振
- FMI晶振
- Macrobizes晶振
- AXTAL晶振
- SUNNY晶振
- ARGO晶振
- Renesas瑞薩晶振
- SKYWORKS晶振
晶振廠家
進口晶振
臺產晶振
歐美晶振
Tel:0755-27838351
Add:廣東深圳市寶安區67區留仙一路甲岸科技園3棟5樓
Email:konuaer@163.com
QQ:632862232
晶振官方博客
更多>>
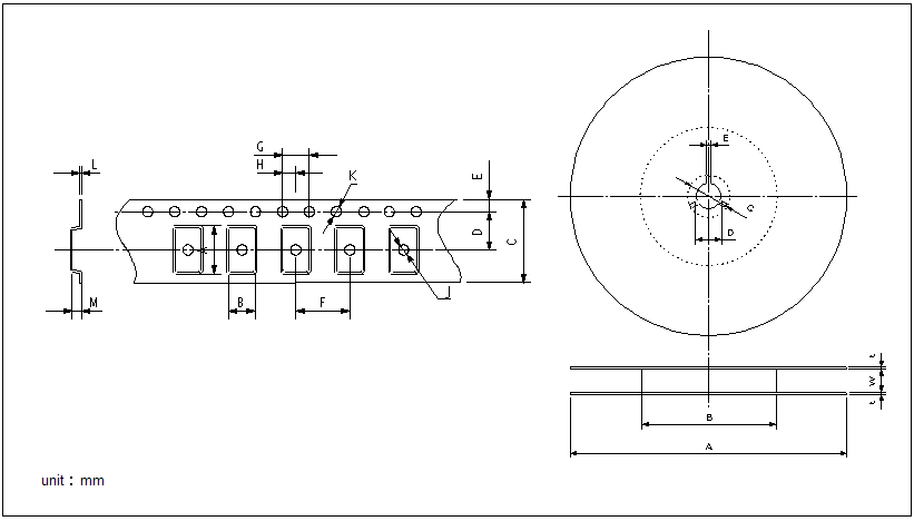
臺灣希華晶體科技:石英晶體振蕩子,OSC57A晶體,臺灣希華有源晶振,此款貼片晶振并且可以承受回流焊接的高溫,波峰焊接,回流焊接等,振蕩器主要特點是該產品排帶包裝,焊接模式主要使用SMT焊接,給現代SMT工藝帶來高速的工作效率,貼片振蕩器系列產品本身具有體積小,厚度薄,重量輕等特點,此希華石英晶體振蕩器,晶振產品本身具備優良的耐熱性,耐環境特性,在辦公自動化,家電領域,移動通信領域可發揮優良的電氣特性,符合無鉛標準,滿足無鉛焊接的回流溫度曲線要求,金屬外殼的石英晶振使得產品在封裝時能發揮比陶瓷晶振外殼更好的耐沖擊性能。
| 振蕩器目錄 | 振蕩器型號OSC57A | |
| 頻率范圍 | 40.000∼160.000MHz | |
| 標稱頻率(MHz) | 5, 10, 12, 16, 20, 24, 32, 40, 44 | |
| 存儲溫度范圍 | -40∼+85℃ | |
| 工作溫度范圍 | -40∼+85℃ | -30∼+85℃ |
| 頻率穩定度 | ±10 × 10-6, ±15×10-6 ※1 | ±15×10-6 |
| 振蕩器老化 | ±2×10-6/1號在25℃一年 | |
| 電源電壓(VDD) | +1.8, +2.5, +3.0V, +3.3V DC±10% | |
| 消耗電流 |
2.5 mA max: ~ 20MHz 5 mA max: ~ 20MHz 3.0 mA max: ~ 40MHz 9 mA max: ~ 40MHz 7.0 mA max: ~ 60MHz 11 mA max: ~ 60MHz 20 mA max: 100MHz 30 mA max: 100MHz 25 mA max: 125MHz 35 mA max: 125MHz 30 mA max: ~156MHz 40 mA max: 156MHz |
|
| 輸出電平 | C-MOS | |
| 負載電容 | 15pF max. | |
| 輸出電壓電平 | VOL:10%VDD最大值。/ VOH90%VDD最小值 | |
| 上升和下降時間 | 為5ns最大。 / 10%的Vdd - 90%的Vdd | |
| 占空比 | 45%∼55% at 1/2Vdd | |
| 相位噪聲/抖動 | -143dBc / Hz Typ. at 10kHz offset / 1σ 3ps typ. | |
| 三態功能 | #1:浮動或“H”→輸出使能/#1:“L”→輸出禁用(高阻) | |






產品質量方針:我司用全面質量管理思想,規范員工的質量行為向顧客提供優質臺灣晶振品牌產品,樹立公司現在代企業形象。
追求安全、及時、完整、周到,盡可能提供滿足客戶所有要求、倉儲以及其它超值服務。 一絲不茍、精益求精。


希華晶體科技本于‘善盡企業責任、降低環境沖擊、提升員工健康’的理念,執行各項環境及職業安全衛生管理工作;落實公司環安衛政策要求使環境暨安全衛生管理成效日益顯著,不僅符合國內環保、勞安法令要求,同時也能達到國際環保、安全衛生標準。

2003年通過ISO14001環境管理系統驗證,秉持“污染預防、持續改善”之原則,公司事業廢棄物產出量逐年降低,可回收、再利用之廢棄物比例逐年提高,各項排放檢測數據符合政府法規要求。并由原材料管控禁用或限用環境危害物質與國際大廠對于綠色生產及綠色產品的要求相符,于2004年通過SONY 綠色伙伴(Green Partner)驗證。
勞工職業安全衛生議題近年成為世界各國及企業關注焦點,如何做到‘降低職業災害發生、確保工作場所安全、實施員工健康管理’一直是希華晶體努力的方向,公司于2008年12月通過OHSAS18001職業安全衛生管理系統驗證,提供勞工符合系統要求的安全衛生工作環境。

希華晶振,SX-5032水晶振子,臺灣希華石英諧振器,希華晶體產品應用范圍包含行動電話,平板電腦、衛星通訊、車載系統、全球定位系統、個人電腦、無線通信及家用產品等,扮演基本信號源產生、傳遞、濾波等功能。持續致力于技術研究開發及品質落實扎根,營運據點遍布臺灣、中國大陸、日本、新加坡、美國及歐洲等世界各地,使希華得以提供服務予世界電子大廠。

| 深圳市康華爾電子有限公司 |
| 電話: +86-755-27838351 |
| 手機:13823300879 |
| 傳真: +86-755-27883106 |
| QQ: 632862232 |
| MSN: konuaer@163.com |
| E-mail:konuaer@163.com |
| 網址:http://m.gajd.com.cn |
| 地址:深圳市寶安區67區留仙一路甲岸科技園3棟 |










銷售代表
售后服務